氣缸
- DNC系列標準氣缸(ISO6431)
- DNG系列標準氣缸 (ISO15552)
- SI系列標準氣缸(ISO6431)
- SC/SU系列標準氣缸
- MB系列標準氣缸
- CA2系列標準氣缸
- XEN/XNEG 系列導桿氣缸
- MA6432系列迷你氣缸(ISO6432)
- MA系列迷你氣缸
- MAL系列迷你氣缸
- CM2系列迷你氣缸
- CJ2系列迷你氣缸
- ADVU系列薄型氣缸
- ADN系列薄型氣缸(ISO21287)
- SDA系列薄型氣缸
- ACQ系列薄型氣缸
- CQ2系列薄型氣缸
- CJP系列針型氣缸
- TN系列雙缸氣缸
- CXS系列雙缸氣缸
- CU系列自由安裝氣缸
- STM系列滑臺氣缸
- MGP系列帶導桿氣缸
- RSQ系列定程桿氣缸
- XCK 系列夾緊氣缸
- MSQ系列齒桿式回轉擺動氣缸
- CRQ2系列薄型齒條式旋轉擺動氣缸
- CRA1系列齒條式旋轉擺動氣缸
- XH系列氣動手指
- XHSH系列平行開閉型氣動手指
- SRC系列旋轉氣缸
- ACK系列轉角氣缸
- MXH系列小型直線導軌氣動滑臺
- MXS系列氣動滑臺
- MXQ系列氣動滑臺
- CRB2系列葉片式擺動氣缸
- MRHQ系列大型葉片式擺動氣缸
- MSUB高精度型葉片式擺動氣缸
- MU系列橢圓形活塞氣缸(桿不回轉)
- CY3系列無桿氣缸
- 氣缸套件
- ISO標準氣缸附件
- 標準氣缸附件
- 迷你氣缸附件
- 氣缸管&活塞桿
- 磁性開關
- 油壓緩沖器
氣源處理件
換向閥
流體電磁閥
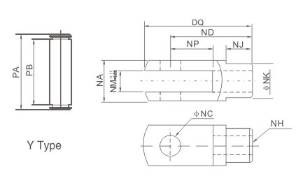
外形尺寸
| 符號/缸徑 | 32 | 40 | 50 | 63 | 80 | 100 | 125 | 160 | 200 |
| NA | 19 | 25.4 | 32 | 32 | 44.4 | 44.4 | 55 | 80 | 80 |
| NB | 20 | 21 | 32 | 32 | 40 | 40 | 45 | 54 | 54 |
| NC | 10 | 12 | 16 | 16 | 20 | 20 | 25 | 30 | 30 |
| ND | 40 | 48 | 64 | 64 | 80 | 80 | 110 | 120 | 120 |
| NE | 52 | 67 | 89 | 89 | 112 | 112 | 155 | 130 | 130 |
| NF | 15 | 24 | 32 | 32 | 40 | 40 | 40 | 35 | 35 |
| NG | 20 | 20 | 23 | 23 | 30 | 30 | 56 | 50 | 50 |
| NH | M10* 1.25 | M12* 1.25 | M16* 1.5 | M16* 1.5 | M20* 1.5 | M20* 1.5 | M27*2 | M36* 2 | M36*2 |
| NJ | 12 | 20 | 22 | 22 | 30 | 30 | 30 | 40 | 40 |
| NK | 18 | 3 | 30 | 30 | 39 | 39 | 54 | 54 | 54 |
| NM | 10 | 12 | 16 | 16 | 20 | 20 | 48 | 40 | 40 |
| NP | 20 | 24 | 32 | 32 | 40 | 40 | 64 | 35 | 35 |
| NQ | 52 | 62 | 83 | 83 | 105 | 105 | 148 | 150 | 150 |
| PA | 25 | 32.8 | 39.3 | 39.3 | 53.3 | 53.3 | 64 | 91 | 91 |
| PB | 19.5 | 26.5 | 33 | 33 | 45 | 45 | 55 | 81 | 81 |


